產品(pǐn)展示
PRODUCT SHOW聯係我們
Contect Us手 機:130-5702-8028
電 話:0513-88901256
傳 真:0513-81165292
郵 箱:13057028028@126.com
地 址:江(jiāng)蘇省海安市高新區恒力路2-1號
一、概述:
磁粉加載器是根據電磁原(yuán)理和利用磁粉傳遞轉矩的。其具有(yǒu)激磁(cí)電(diàn)流和傳遞轉矩基本成線性(xìng)關係的特點。在(zài)同滑差無關(guān)的情況下能夠傳遞一(yī)定的轉矩,具有響應速度快、結構簡單、無汙染、無噪音、無衝擊振動節約能(néng)源等優點。是一種多用途、性能優越的(de)張力控製元(yuán)件。常作為模擬加載器用於測功機中。按照安裝方(fāng)式不同,磁粉加(jiā)載器可分為機座式、法蘭式、空心軸式、空心軸旋轉式四種類型。
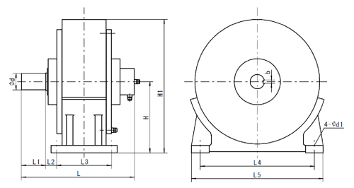
二、技術指標(機座式):

型號 | 技術參數 | 安 裝 尺 寸 | |||||||||||||
額定 | 激磁 | 滑差(chà) | 冷卻 | d | H | H1 | L | L1 | L2 | L3 | L4 | L5 | d1 | b | |
CZ-0.2 | 2 | 0.4 | 0.1 | 自 | 9 | 55 | 105 | 106 | 20 | 33 | 26 | 100 | 115 | 5.5 | 削(xuē)平 |
CZ-0.5 | 5 | 0.5 | 0.3 | 自 | 12 | 72 | 139 | 120 | 21 | 23 | 60 | 110 | 125 | 6.5 | 4 |
CZ-0.6 | 6 | 0.5 | 0.3 | 自 | 12 | 72 | 139 | 120 | 21 | 23 | 60 | 110 | 125 | 6.5 | 4 |
CZ-1 | 10 | 0.6 | 0.8 | 水 | 12 | 100 | 188 | 135 | 26 | 16 | 70 | 155 | 180 | 9 | 4 |
CZ-2 | 20 | 0.6 | 1.6 | 水(shuǐ) | 18 | 120 | 220 | 144 | 30 | 20 | 78 | 155 | 190 | 11 | 6 |
CZ-5 | 50 | 0.8 | 3.5 | 水 | 22 | 150 | 260 | 165 | 35 | 14 | 110 | 185 | 230 | 11 | 6 |
CZ-10 | 100 | 1 | 7 | 水 | 28 | 165 | 300 | 305 | 55 | 37.5 | 100 | 185 | 274 | 13 | 8 |
CZ-20 | 200 | 2 | 10 | 水 | 35 | 180 | 335 | 341 | 70 | 35.5 | 125 | 268 | 320 | 13 | 10 |
CZ-40 | 400 | 2.5 | 12 | 水 | 45 | 210 | 385 | 343 | 70 | 23 | 150 | 300 | 350 | 13 | 14 |
CZ-50 | 500 | 2.5 | 14 | 水 | 60 | 240 | 440 | 634 | 100 | 53 | 230 | 340 | 420 | 17 | 18 |
CZ-100 | 1000 | 2.5 | 18 | 水 | 60 | 280 | 522 | 478 | 100 | 31 | 220 | 430 | 500 | 17 | 18 |
CZ-200 | 2000 | 3 | 25 | 水 | 75 | 325 | 610 | 543 | 110 | 50 | 250 | 520 | 600 | 22 | 20 |
CZ-500 | 5000 | 3 | 40 | 水 | 90 | 430 | 818 | 662 | 140 | 50 | 320 | 600 | 700 | 22 | 25 |
CZ-1000 | 10000 | 4 | 50 | 水 | 120 | 600 | 1125 | 740 | 160 | 40 | 360 | 900 | 1030 | 26 | 32 |
CZ-2000 | 20000 | 5 | 75 | 水 | 155 | 725 | 1545 | 900 | 180 | 105 | 400 | 1300 | 1450 | 34 | 40 |

